上海楠傲网络科技有限公司

电子控制系统

企业信息

Information

企业信息 经营范围

公司名称:上海楠傲网络科技有限公司

法人代表:郑春游

注册地址:上海市松江区车墩镇莘莘路1弄8号943

所属行业:专业技术服务业

更多行业:其他质检技术服务,质检技术服务,专业技术服务业,科学研究和技术服务业

经营范围:一般项目:技术服务、技术开发、技术咨询、技术交流、技术转让、技术推广;软件开发;互联网销售(除销售需要许可的商品);信息咨询服务(不含许可类信息咨询服务);广告设计、代理;广告制作;广告发布。(除依法须经批准的项目外,凭营业执照依法自主开展经营活动)

联系我们

电话 1365889**
地址 上海市松江区车墩镇莘莘路1弄8号943
网址 www.kgwkc.com

产品大全

Product

东莞市宝轩电子科技 电子控制系统及其他工控系统与装备产品详解
东莞市宝轩电子科技 电子控制系统及其他工控系统与装备产品详解
更新:2026-04-14 14:03:12
佳科苗床网焊网机排焊机厂家 电子控制系统在现代化生产中的核心作用
佳科苗床网焊网机排焊机厂家 电子控制系统在现代化生产中的核心作用
更新:2026-04-14 03:02:27
脉冲电源与电子控制系统 原理、应用与协同工作
脉冲电源与电子控制系统 原理、应用与协同工作
更新:2026-04-14 12:55:14
基于PLC的焊丝自动排线技术的研究
基于PLC的焊丝自动排线技术的研究
更新:2026-04-14 01:34:58
煤矿水泵房自动化控制系统设计与市场采购分析 聚焦西安与郑州厂家
煤矿水泵房自动化控制系统设计与市场采购分析 聚焦西安与郑州厂家
更新:2026-04-14 12:18:45
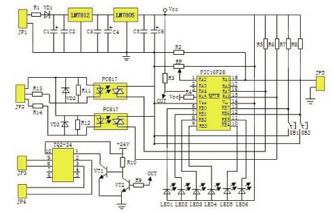
基于PIC16F628单片机的CM402型高速贴片机控制系统改造设计与实现
基于PIC16F628单片机的CM402型高速贴片机控制系统改造设计与实现
更新:2026-04-14 09:15:49
单片机驱动的电池管理系统 现代电子控制系统的核心
单片机驱动的电池管理系统 现代电子控制系统的核心
更新:2026-04-14 04:35:36
深圳多接口电池内阻测试仪产品介绍与电子控制系统解析
深圳多接口电池内阻测试仪产品介绍与电子控制系统解析
更新:2026-04-14 18:38:01
“悟空”领航智慧病区,美的医疗开启电子控制新时代
“悟空”领航智慧病区,美的医疗开启电子控制新时代
更新:2026-04-14 17:37:28
芳华正茂 盘龙如歌——云南内燃机厂的时代回响与昆明骄傲
芳华正茂 盘龙如歌——云南内燃机厂的时代回响与昆明骄傲
更新:2026-04-14 02:18:56
民族品牌的骄傲——钵施然采棉机
民族品牌的骄傲——钵施然采棉机
更新:2026-04-14 20:37:24
自主品牌的骄傲 参观华晨汽车沈阳工厂有感
自主品牌的骄傲 参观华晨汽车沈阳工厂有感
更新:2026-04-14 08:13:21
军钢之歌 楠傲 熔炉铸铁骨,丹心铸丰碑
军钢之歌 楠傲 熔炉铸铁骨,丹心铸丰碑
更新:2026-04-14 18:07:32
你的工厂与自动化只差一台优傲机器人的距离
你的工厂与自动化只差一台优傲机器人的距离
更新:2026-04-14 03:50:48
广州白云区海斯德傲五金加工厂 聚焦精密制造,铸就“楠傲”品质
广州白云区海斯德傲五金加工厂 聚焦精密制造,铸就“楠傲”品质
更新:2026-04-14 22:29:39
潍柴海外布局再迈里程碑,凯傲捷克新工厂落成获捷克总理亲临祝贺
潍柴海外布局再迈里程碑,凯傲捷克新工厂落成获捷克总理亲临祝贺
更新:2026-04-14 05:59:08
不打无把握之仗 奥迪欲引领中国豪华车市场第三次变革
不打无把握之仗 奥迪欲引领中国豪华车市场第三次变革
更新:2026-04-14 21:47:58
楠傲 从华人企业家到维州制造业的骄傲
楠傲 从华人企业家到维州制造业的骄傲
更新:2026-04-14 03:15:33
中国智造,全球骄傲 哈弗F7俄罗斯锻造记
中国智造,全球骄傲 哈弗F7俄罗斯锻造记
更新:2026-04-14 16:40:03
洛阳森傲 匠心打造办公与酒店家具的卓越品牌
洛阳森傲 匠心打造办公与酒店家具的卓越品牌
更新:2026-04-14 03:06:49

访客留言